Катушка для раздачи воздуха/воды, закрытая пластиковая APAC 1731.C7
Катушка для раздачи воздуха/воды, закрытая пластиковая, диаметр шлангов 10х14,5 PVC, длина шлангов 20+1 метров
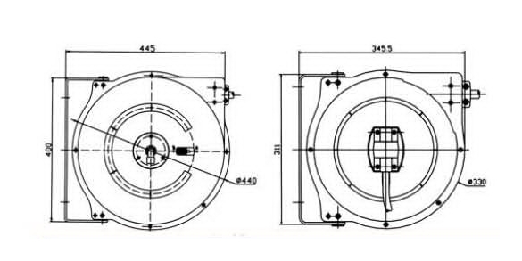
Технические характеристики:
Вес 10,5 кг
Тип для воздуха
Диаметр шланга 10х14,5 мм
Длина шланга/ов 20 м
Корпус закрытый
Присоед. резьба 3/8"
Рабочее давление 20 бар
Разъем 3/8"
Темп. диапазон 60 С
Страна
Италия
Производитель
APAC




